


Редуктор для крокового двигуна PX86N006S0 (1:6) NEMA 34
Планетарний редуктор PX86N006S0 (1:6)
Планетарний (диференціальний) редуктор - це механізм, який шляхом планетарної передачі, що перебуває в редукторі, передає і перетворює крутний момент. Серія РХ має відносно великий люфт, тому в прецизійному обладнанні вона не використовується.
Переваги планетарного редуктора:
- Висока точність
- Високий ККД
- Передає великий обертальний момент
- Має високу жорсткість на скручування
- Вхідний і вихідний співвісні вали
Застосування: верстати для різання і гравіювання, принтери, плотери, робототехніка і багато іншого.
Основні характеристики:
Модель: PX86N006S0
Фланець: NEMA 34
Передавальне число: 1:6
Номінальний обертальний момент: 50 Нм
Максимальна швидкість: 3000 об/хв
Люфт: ≤18 arcmin
ККД: 85 %
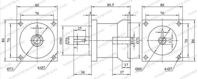
Довжина редуктора: 80.5 мм
Діаметр переднього валу: 16 мм
Діаметр отвору під вхідний вал: 14 мм
Вага: 1.65 кг
Розміри:

- Редуктор для крокового двигуна PX86N006S0 (1:6) (1 шт.)
Дивіться всі наші оголошення:
- Контролери
- Крокові двигуни
- Драйвери крокового двигуна
- Блоки живлення
- Шпинделі
- Інвертори
- Серводвигуни з серводрайверами
- Драйвери та крокові двигуни з енкодером
- Верстати з ЧПК
- Пульти ручного управління і DSP контролери
- Датчики, кнопки, роз'єми, кабелі, мікросхеми, фільтри
- КГП
- Лінійні напрямні
- Лінійні підшипники
- Гнучкі муфти
- Гнучкий кабель канал (кабелеукладальника)
- Затискні цанги, гайки ER
- Поворотні осі
- Алюмінієвий профіль
- Ремінний привід
- Рейковий привід
- Регулятори висоти різака THC (torch height control)
| Основні | |
|---|---|
| Стан | Новий |
| Додаткові характеристики | |
| Вага | 1.65 кг |
| Користувальницькі характеристики | |
| Тип комплектующего | Редуктор |
| Кількість в упаковці | 1 шт. |
| Максимальна швидкість | 3000 об/хв |
| Фланець | NEMA 23 |
| Модель | PX86N006S0 |
| Передаточне число | 1:6 |
| Люфт | ≤15 arcmin |
| ККД | 85 % |
| Довжина редуктора | 80.5 мм |
| Діаметр переднього валу | 16 мм |
| Діаметр отвору під вхідний вал | 14 мм |
| Номінальний крутний момент | 50 Нм |
| Діаметр вала | 14, 16 |
| Тип фланця | NEMA 34 (86 мм) |
| Крутний момент (Нм) | 50 |
- Ціна: 3 622 ₴
- Немає в наявності
- Код: 12-104
3 622 ₴
- +380 (99) 100-30-30Прийом замовлень - Vodafone
- +380 (73) 100-30-30Прийом замовлень - Lifecell
- +380 (96) 665-71-06Прийом замовлень - Київстар
- Понеділок09:0018:00
- Вівторок09:0018:00
- Середа09:0018:00
- Четвер09:0018:00
- Пʼятниця09:0018:00
- Субота10:0016:00
- НеділяВихідний





