
Імпульсний блок живлення S-400-48, 48V, 8.3 А, 400W
Блок живлення S-400-48, 48 вольт 400W ватт, імпульсний.
Високоекономічний блок живлення в захисному кожусі 48V 8,3 А 400W застосовується з метою енергозабезпечення електроприладів з постійною напругою 48 вольта. У корпус блоку вбудований вентилятор, шляхом якого здійснюється охолодження Особливості: захист від замикання, перевантаження, перенапруги. Працює в широкому діапазоні температур від 0° до +50°C. Блоки живлення широко застосовується для електроживлення сучасних електроприладів, світлодіодної техніки, ЧПК (ЧПУ), промислової автоматики та багато іншого.
Характеристики:
- Вихідна напруга: 48
- Вихідна потужність: 400W
- Струм: 8,3 А*
- Вхідна напруга обирається перемикачем
- Захист: коротке замикання / перевантаження / перенапруження
- Примусове повітряне охолодження вбудованим вентилятором DC
- ШІМ-управління
- Вбудований фільтр електромагнітних перешкод
- Авто відновлення після спрацьовування захисту по перевантаженню
- Стабільність навантаження: ±0,5%
- Регулювання Uвих ± 10%
- Ефективність (ККД) : 83%
- Час затримки при установці: 200 ms, 50 ms, 36 ms
- Опір ізоляції: :500VDC/100MΩ
- Клас захисту: IP20
- Робоча температура: -10 +50 С
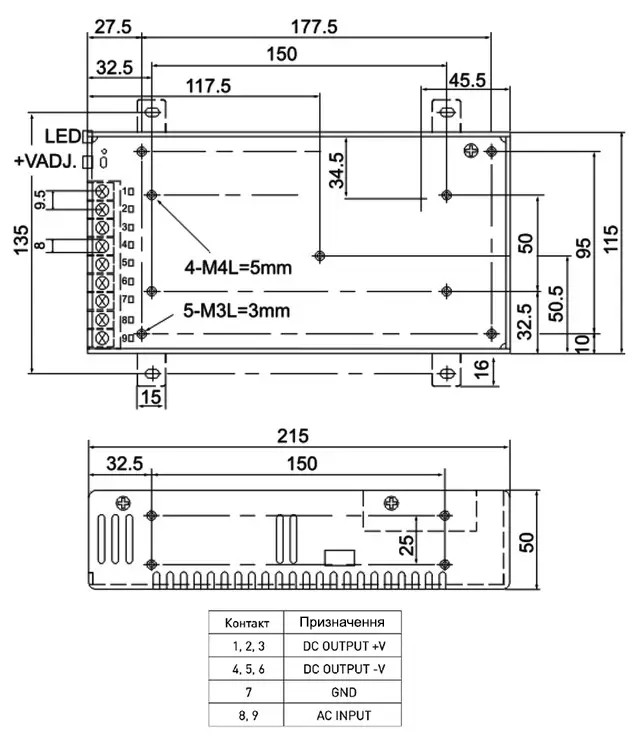
- Габаритні розміри: 215×115×50мм
- Вага: 1,1 кг
Розміри:

До цього блоку живлення у нас можна придбати:
Крокові двигуни 

Контролери

Драйвера 

Індуктивний датчик LJ12A3-4-Z/AX NPN закритий
Індуктивний датчик LJ12A3-4-Z/BX NPN відкритий
Індуктивний датчик LJ12A3-4-Z/AY PNP закритий
Індуктивний датчик LJ12A3-4-Z/BY PNP відкритий
| Основні | |
|---|---|
| Тип блоку живлення | Імпульсний |
| Вихідний струм, не більше | 8.3 А |
| Вихідна напруга | 48 В |
| Вихідна потужність | 400 Вт |
| Тип корпусу | Напівгерметичний |
| Мінімальна робоча температура | -10 град. |
| Максимальна робоча температура | 50 град. |
| ККД, не менше | 83 % |
| Захист від короткого замикання | Так |
| Захист від перевантаження | Так |
| Габаритні розміри | |
| Довжина | 215 мм |
| Висота | 50 мм |
| Ширина | 115 мм |
| Вага | 1.1 кг |
| Користувальницькі характеристики | |
| Потужність (Вт) | 400 Вт |
| Струм (A) | 8.3 |
- Ціна: 1 317 ₴
- Готово до відправки
- Код: 02-015
1 317 ₴
- +380 (99) 100-30-30Прийом замовлень - Vodafone
- +380 (73) 100-30-30Прийом замовлень - Lifecell
- +380 (96) 665-71-06Прийом замовлень - Київстар
- Понеділок09:0018:00
- Вівторок09:0018:00
- Середа09:0018:00
- Четвер09:0018:00
- Пʼятниця09:0018:00
- Субота10:0016:00
- НеділяВихідний


