


Токарний патрон К11-80, 3-х кулачковий, самоцентрувальний, 80 мм, зі зворотніми кулачками
Токарний патрон К11-80, 3-х кулачковий, самоцентрувальний, 80 мм
Токарний патрон - це механічне пристосування для фіксації заготовки на шпинделі токарного верстата. Його головна задача надійно утримувати деталь, забезпечуючи концентричність і точність обробки.
Патрон серії К11 з трьома кулачками і зовнішнім діаметром 80 мм - це ідеальний вибір для обробки круглих та шестигранних заготовок на токарних верстатах. Самоцентрувальний механізм забезпечує швидке та надійне затискання, сумісний з більшістю токарних верстатів. Три кулачки рухаються синхронно, що забезпечує рівномірний захват деталі.
Основні переваги K11-80:
- Самоцентрувальний механізм — забезпечує швидке центрування заготовки без додаткових налаштувань.
- Компактний розмір: Ø80 мм - ідеальний для невеликих токарних верстатів
- Закалені сталеві кулачки: висока зносостійкість, витримує серйозні навантаження
- Низьке биття: дає точну обробку, підходить для тонких або відповідальних деталей
- Швидкий монтаж: кріпиться до стандартного фланця, сумісний із більшістю моделей міні-станків
- Повна комплектація: в комплекті йдуть внутрішні та зовнішні кулачки, ключ та кріпильні елементи
- Відмінне співвідношення ціна/якість
Технічні характеристики:
Модель: K11-80
Тип: Токарний патрон, 3х-кулачковий, самоцентрувальний
Матеріал корпусу: Високоміцна сталь
Матеріал кулачків: Загартована сталь (HRC ≥ 55)
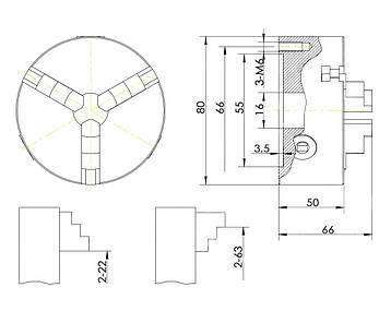
Зовнішній діаметр патрона: 80 мм
Кількість кулачків: 3
Тип кулачків: самоцентрувальні, внутрішні та зовнішні
Максимальний крутний момент: 40 Нм
Діапазон затиску (внутрішній): 2 – 22 мм
Діапазон затиску (зовнішній): 22 – 63 мм
Посадковий отвір (діаметр центру): 16 мм
Тип кріплення до шпинделя: на гвинтах (3 болти)
Точність (биття): ≤0.05 мм
Максимальна швидкість обертання: 4000 об/хв
Вага: 2 кг
Креслення:

Важливо!
Виробник залишає за собою право вносити зміни в конструкцію виробу, які не погіршують його якість, без попереднього повідомлення покупця
Зовнішній вигляд товару може трохи відрізнятися від фотографій на сайті. Розбіжність зовнішнього вигляду не є показником неналежної якості пристрою
Інформація на сайті є актуальною на момент її опублікування!
- Токарний патрон - 1 шт.
- Кулачки прямі (3 шт.) – 1 комплект
- Кулачки зворотні (3 шт.) – 1 комплект
- Ключ – 1 шт.
- Кріпильні гвинти М6 – 3 шт.
Дивіться всі наші оголошення
- Каталог товарів
- Контролери
- Крокові двигуни
- Драйвери крокового двигуна
- Блоки живлення
- Шпинделі
- Інвертори
- Серводвигуни із серводрайверами
- Драйвери та крокові двигуни з енкодером
- Верстати з ЧПК
- Пульти ручного керування та DSP контролери
- Датчики, кнопки, роз'єми, кабелі, мікросхеми, фільтри
- КГП
- Лінійні напрямні
- Лінійні підшипники
- Гнучкі муфти
- Гнучкий кабель-канал (кабелеукладач)
- Затискні цанги, гайки ER
- Поворотні осі
- Алюмінієвий профіль
- Ремінний привід
- Рейковий привід
- Регулятори висоти різання THC (torch height control)
| Основні | |
|---|---|
| Країна виробник | Китай |
| Тип комплектуючого | Патрон токарний |
| Стан | Новий |
| Діаметр | 80 мм |
| Вага | 1925 г |
| Кількість в упаковці | 1 шт. |
- Ціна: 2 130 ₴
- Немає в наявності
- Код: 07-103
2 130 ₴
- +380 (99) 100-30-30Прийом замовлень - Vodafone
- +380 (73) 100-30-30Прийом замовлень - Lifecell
- +380 (96) 665-71-06Прийом замовлень - Київстар
- Понеділок09:0018:00
- Вівторок09:0018:00
- Середа09:0018:00
- Четвер09:0018:00
- Пʼятниця09:0018:00
- Субота10:0016:00
- НеділяВихідний


