




Плата керування з портом USB BJJCZ FBL1-B-LV4 для волоконного лазерного верстата під EzCAD2,без підтримки поворотної осі
Плата управління з портом USB BJJCZ FBL1-B-LV4 для волоконного лазерного верстата, промислова комутаційна плата під програмне забезпечення EzCAD2
Модель FBL1-B-LV4 являє собою комутаційну плату з портом USB, яка застосовується для керування волоконним лазерним верстатом за допомогою програмного забезпечення EzCAD2. Зверніть увагу до даної плати НЕ можна підключити поворотну вісь!
Контролер має 6 універсальних цифрових входів сумісних з TTL і 2 універсальних цифрових виходи сумісних з TTL. Оснащена індикаторами наявності живлення та формування променя.
Плата сумісна з операційними системами Windows XP, 7, 8, 10 (версії х32 та х64).
Напруга живлення становить 5 В постійного струму (DC). Рекомендується використовувати блок живлення постійного струму 5 (DC) / 3А.
Постачається контролер вже вмонтованим на монтажний металевий корпус.
Крім самої плати управління в комплекті є кабель USB (підключення плати до ПК), кабель DB25 (підключення до плати джерела лазера) і 2 роз'єми DB15 (перший - для підключення до плати сканувальної головки, другий - для підключення до плати контактів живлення та сигналів введення-виведення).
Особливості:
-
Стабільність роботи
-
Інтерфейс USB, що дозволяє під'єднати плату до ПК або ноутбука
-
6 цифрових входів
-
2 цифрові виходи
-
Наявність світлових індикаторів живлення та формування променя
Технічні характеристики:
Виробник: Beijing JCZ Technology 
Модель: FBL1-B-LV4
Тип відповідного лазерного джерела: волоконний
Інтерфейс підключення плати до ПК: USB 2.0
Електроживлення: 5 В постійного струму (DC) / 3 А
Протокол зв'язку: XY2-100
Кількість цифрових входів: 6 (сумісні з TTL)
Кількість цифрових виходів: 2 (сумісні з TTL)
Підтримка поворотної осі: ні
Світловий індикатор живлення: так
Світловий індикатор формування променя: так
Підтримка операційних систем: Windows XP, 7, 8, 10 (версії х32 та х64)
Сумісне програмне забезпечення: EzCAD2
Габаритні розміри: 125х85х17 мм
Температура навколишнього середовища під час роботи: +15...+35°C
Температура навколишнього середовища при зберіганні: -20...+60°C
Вага нетто: 186 г
Стан: новий
Гарантійний термін: 3 місяці
Габаритні розміри

Інтерфейс
CON1 (DB15): роз'єм управління скануючою головкою
Сигнал управління скануючою головкою є цифровим сигналом і він безпосередньо підключається до голівки (рекомендується використовувати екранований кабель вита пара)
![]() |
№ контакту роз'єму CON1 | Позначення | Опис |
| 1, 9 | CLK-, CLK+ | Тактовий сигнал -, Тактовий сигнал + | |
| 2, 10 | SYNC-, SYNC+ | Сигнал синхронізації -, Сигнал синхронізації + | |
| 3, 11 | X Channel-, X Channel+ | Сигнал скануючої головки X-, Сигнал скануючої головки X+ | |
| 4, 12 | Y Channel-, Y Channel+ | Сигнал скануючої головки Y-, Сигнал скануючої головки Y+ | |
| 5, 13 | NULL | Резерв | |
| 6, 14 | NULL | Резерв | |
| 7 | NULL | Резерв | |
| 8, 15 | GND | Заземлення |
CON2 (DB25): роз'єм управління джерелом лазера серії IPG YLP
Підключається безпосередньо до лазерного джерела через кабель DB25
![]() |
№ контакту роз'єму CON2 | Позначення | Опис |
| 1-8 | P0-P7 | Сигнал потужності лазера. TTL-сумісний | |
| 9 | PLATCH | Сигнал блокування живлення. TTL-сумісний | |
| 10, 14 | GND | Заземлення плати управління | |
| 16, 21, 11, 12 | LASERST0~3 | Вхідні сигнали керування лазером | |
| 17 | VCC | Вихід 5 В | |
| 18 | MO | Сигнал головного генератора. TTL-сумісний | |
| 19 | AP | Сигнал підсилювача потужності. TTL-сумісний | |
| 20 | PRR | Частотно-імпульсний сигнал, що повторюється. TTL-сумісний | |
| 22 | RedPt | Сигнал покажчика червоного світла. TTL-сумісний | |
| 23 | EMSTOP | Сигнал аварійної зупинки. TTL-сумісний | |
| 13, 24, 25 | Не підключаються |
CON4 (DB15): роз'єм для підключення контактів живлення та цифрових сигналів введення-виведення
![]() |
№ контакту роз'єму CON4 | Позначення | Опис |
| 1 | XORG0 | Розширений вихідний сигнал осі X. Сформуйте петлю із заземленням (контакти 12, 13) плати управління. При використанні цього сигналу підключіть контакт цього сигналу і контакт заземлення до двох кінців перемикача відповідно. Цей сигнал є вхідним сигналом |
|
| 9 | GIN15 |
Загальний вхідний сигнал порту GIN15. Сформуйте петлю із заземленням (контакти 11, 12, 13) плати управління. При використанні цього сигналу підключіть контакт цього сигналу і контакт заземлення до обох кінців перемикача. Цей сигнал є вхідним сигналом
|
|
| 2, 10 | OUT4, OUT5 | Загальні вихідні сигнали OUT4, OUT5. В якості заземлення використовуйте контакт GND | |
| 4, 5 | Vin | Позитивна клема джерела живлення 5 В. Цей сигнал є вхідним сигналом | |
| 11, 12, 13 | GND | Негативна клема (сигнал заземлення) джерела живлення 5 В. Є сигналом заземлення плати управління. Цей сигнал є вхідним сигналом | |
| 14 | XDIR+ |
Сигнал напряму осі обертання X. Цей сигнал є вихідним сигналом TTL. Загальний анодний вихід, що використовує сигнали VCC та XDIR+, VCC є анодним сигналом
|
|
| 15 | XPUL+ |
Імпульсний сигнал для осі обертання X. Цей сигнал є вихідним сигналом TTL. Загальний анодний вихід, який використовує сигнали VCC та XPUL+, VCC є анодним сигналом
|
|
| 8 | ReMark |
Сигнал повторення маркування. В якості заземлення використовуйте контакт GND. З'єднайте ці контакти з обома кінцями перемикача. При використанні цього сигналу плата керування відображає те, що залишилося в буфері при останньому маркування. Цей сигнал є вхідним сигналом
|
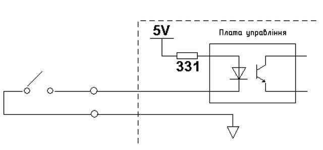
Інтерфейс вхідних сигналів XORG0, GIN15, ReMark

Схема підключення вхідних сигналів XORG0, GIN15, ReMark (необхідний зовнішній нормально розімкнений перемикач з контактним опором менше 100 Ом)

Вихідний сигнал Out0-Out7
Вихідні сигнали OUT4, OUT5 є виходами TTL. Цей вихід TTL повинен уникати короткого замикання або заземлення, оскільки плата може бути пошкоджена.
Виробник залишає за собою право вносити зміни в конструкцію виробу, які не погіршують його якість, без попереднього повідомлення покупця.
Зовнішній вигляд товару може відрізнятись від фотографій на сайті. Розбіжність зовнішнього вигляду та комплектності реального товару з фотографіями на сайті не є показником неналежної якості виробу
Інформація на сайті є актуальною на момент її опублікування!
- Плата керування з портом USB BJJCZ FBL1-B-LV4
- Кабель USB
- Кабель DB25
- Роз'єм DB15 (2 шт.)
Блоки живлення
КУПИТИ
Драйвери
КУПИТИ
Поворотні осі
КУПИТИ
Кабелі
КУПИТИ
Дивіться всі наші оголошення
- Каталог товарів
- Верстати
- Оснащення для верстатів
- Системи охолодження та вентиляції
- Контролери
- Електродвигуни
- Драйвери крокового двигуна
- Драйвери та крокові двигуни з енкодером
- Серводвигуни із серводрайверами
- Блоки живлення
- Шпинделі
- Інвертори
- Пульти ручного керування та DSP контролери
- Датчики, кнопки, роз'єми, кабелі, мікросхеми, фільтри
- Лінійні напрямні та підшипники
- Передачі
- Системи мастила напрямних та передач
- Механіка
- Гнучкі муфти
- Гнучкий кабель канал (кабелеукладач)
- Фрези
- Алюмінієвий профіль
- Пневматика
| Основні | |
|---|---|
| Вага | 0.19 кг |
| Гарантійний термін | 3 міс |
| Стан | Новий |
| Технічні характеристики | |
| Напруга | 5 В |
| Номінальна сила струму | 3 А |
| Максимальна робоча температура | 35 град. |
| Габаритні розміри | |
| Довжина | 125 мм |
| Ширина | 85 мм |
| Висота | 17 мм |
| Умови експлуатації | |
| Мінімальна температура зберігання | -20 град. |
| Максимальна температура зберігання | 60 град. |
- Ціна: 7 467 ₴
- Готово до відправки
- Код: 05-250
12 292 ₴
7 467 ₴
- +380 (99) 100-30-30Прийом замовлень - Vodafone
- +380 (73) 100-30-30Прийом замовлень - Lifecell
- +380 (96) 665-71-06Прийом замовлень - Київстар
- Понеділок09:0018:00
- Вівторок09:0018:00
- Середа09:0018:00
- Четвер09:0018:00
- Пʼятниця09:0018:00
- Субота10:0016:00
- НеділяВихідний






