



Лещата верстатні свердлильні неповоротні похилі QKD75 (NR-YT) тип 3460

QKD75 (NR-YT) - верстатні неповоротні синусні (похилі, кутові) лещата серії QKD з шириною накладок губок 81.5 мм і максимальним розкриттям 81 мм, які застосовуються для точного і надійного затиску деталі в зручному положенні при обробці на свердлильному або невеликому фрезерному верстаті (можуть використовуватися і на іншому обладнанні). Конструктивно інструмент являє собою корпус з парою паралельних губок одна з яких є нерухомою, а друга притискається до деталі за допомогою трапецієподібного гвинта. Накладки (пластинки) на губках є знімними, що знижує витрати на обслуговування виробу в цілому, а також підвищує ефективність роботи. Платівка нерухомої губки має на своїй поверхні V-образні поглиблення. Це дозволяє надійно і точно затискати заготовки не тільки плоскої форми, а і циліндричної. На підставі лещат передбачені монтажні отвори для точного позиціювання і надійного кріплення пристосування на робочому столі верстата. Головною особливістю лещат серії QKD є можливість їх нахилу у вертикальній площині 0-90º. Стопорний штифт дозволяє фіксувати нахил з кроком 15º. Для більш точного налаштування кута необхідно скористатися регулювальною рукояткою.
-
Під час роботи стежте за тим, щоб лещата не піддавалися ударних впливів, інакше показники точності вироби можуть бути порушені
-
Для забезпечення плавної та точної роботи лещат необхідно регулярно змащувати рухомі частини пристрою
Особливості:
-
Висока якість виробу
-
Точність затиску
-
Високе зусилля затискача
-
Нахил лещат в діапазоні 0-90º
-
Шкала відстеження величини кута нахилу
-
Шліфована поверхня рейок
-
Змінні накладки загартовані і відшліфовані
-
Можливість затиснення заготовок плоскої і циліндричної форми
-
Напрямний вал для більш точного переміщення рухомої губки
-
Міцний і стійкий до корозії корпус
-
Простота в експлуатації
Загальні характеристики:
Тип лещат: верстатні
Серія: QKD (тип 3460)
Модель: QKD75 (NR-YT)
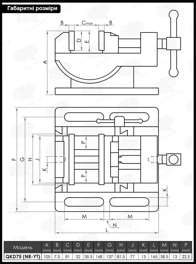
Ширина накладок губок: 81.5 мм
Висота накладок губок: 32 мм
Максимальне розкриття лещат: 81 мм
Тип приводу: ручний
Діаметр затискного гвинта: 16 мм
Діаметр проміжного вала: 14 мм
Наявність поворотного механізму: немає
Діапазон нахилу лещат: 0-90°
Наявність градусної шкали: так
Поділ градусної шкали: 1°
Наявність затиску для труб і циліндричних деталей: так
Наявність ковадла: немає
Матеріал корпусу: високоміцний чавун
Матеріал рукоятки: вуглецева сталь
Стан: новий
Вага брутто: 5.74 кг

- Лещата QKD75 (NR-YT) (1 шт.)
Масло (мастило) для направляючих і передач помірної в'язкості (1 л)
Дивіться всі наші оголошення
- Каталог товарів
- Контролери
- Крокові двигуни
- Драйвери крокового двигуна
- Блоки живлення
- Шпинделі
- Інвертори
- Серводвигуни з серводрайверами
- Драйвери та крокові двигуни з енкодером
- Верстати з ЧПК
- Пульти ручного управління і DSP контролери
- Датчики, кнопки, роз'єми, кабелі, мікросхеми, фільтри
- КГП
- Лінійні направляючі
- Лінійні підшипники
- Гнучкі муфти
- Гнучкий кабель канал (кабелеукладальника)
- Затискні цанги, гайки ER
- Поворотні осі
- Алюмінієвий профіль
- Ремінний привід
- Рейковий привід
- Регулятори висоти різака THC (torch height control)
| Основні | |
|---|---|
| Виробник | CNCPROM |
| Країна виробник | Китай |
| Стан | Новий |
| Тип лещат | верстатні |
| Наявність поворотного механізму | Ні |
| Наявність ковадла | Ні |
| Наявність затиску для труб і циліндричних деталей | Так |
| Ширина губок | 81.5 |
| Висота губок | 32 |
| Максимальне розкриття лещат | 81.0 |
| Габаритні розміри | |
| Довжина | 165 мм |
| Ширина | 168 мм |
| Висота | 105 мм |
| Вага | 5.74 кг |
| Користувальницькі характеристики | |
| Наявність градусної шкали | так |
| Поділ градусної шкали | 1° |
| Матеріал рукоятки | вуглецева сталь |
| Діапазон нахилу лещат | 0-90° |
| Діаметр затискного гвинта | 16 мм |
| Діаметр проміжного вала | 14 мм |
| Модель | QKD75 (NR-YT) |
| Матеріал корпусу | високоміцний чавун |
| Серія | QKD (тип 3460) |
| Тип приводу | ручний |
- Ціна: 2 415 ₴
- Готово до відправки
- Код: 10-765
2 415 ₴
- +380 (99) 100-30-30Прийом замовлень - Vodafone
- +380 (73) 100-30-30Прийом замовлень - Lifecell
- +380 (96) 665-71-06Прийом замовлень - Київстар
- Понеділок09:0018:00
- Вівторок09:0018:00
- Середа09:0018:00
- Четвер09:0018:00
- Пʼятниця09:0018:00
- Субота10:0016:00
- НеділяВихідний




