


Гайка для КГП 2510 SFU2510, гайка кулько-гвинтової передачі
Гайка для КГП 2510 SFU2510, гайка кулько-гвинтової передачі з класом точності C7
SFU2510 - однозахідна гайка з одинарним корпусом для ходового гвинта КГП діаметром 25 мм і кроком різьби 10 мм, яка разом з іншими компонентами кулько-гвинтової передачі створює механізм перетворення обертального руху в поступальний.
Ця модель оснащена чотирма контурами з дефлекторним способом обертання кульок. Така технологія дозволяє гайці мати досить компактні розміри за високих показників вантажопідйомності.
На фланці гайки є монтажні отвори для її надійного кріплення, а також різьбовий отвір для приєднання маслянки.
Корпус та кульки виготовлені з високоякісної сталі, а заглушки поворотних клапанів із пластику.
За рахунок високої якості виготовлення та класу точності C7 SFU2510 забезпечує точну, швидку та надійну роботу рухомих елементів автоматизованого обладнання.
Застосування: лазерні та фрезерні верстати, 3D-принтери та сканери, медичні установки, машинобудування, високоточні вимірювальні прилади, металообробні та інші промисловості
Особливості:
-
Висока точність
-
Малі втрати на тертя
-
Плавний та рівномірний лінійний рух
-
Низький рівень шуму під час роботи
-
Висока вантажопідйомність
-
Відносно невеликі габаритні розміри
-
Тривалий термін служби
Технічні характеристики:
Модель: SFU2510
Типорозмір: 25-10
Тип корпусу: одинарний
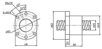
Фланець: DIN 69051 B
Діаметр відповідного ходового гвинта: 25 мм
Крок різьби відповідного ходового гвинта: 10 мм
Число заходів відповідного ходового гвинта: 1
Кількість контурів: 4
Діаметр кульок: 4.763 мм
Спосіб обігу кульок: дефлекторний
Клас точності: C7
Похибка ходу на довжині 300 мм: ±0.05 мм
Динамічна вантажопідйомність: ≈ 1944 кгс
Статична вантажопідйомність: ≈ 3877 кгс
Матеріал корпусу: сталь
Матеріал кульок: підшипникова сталь
Матеріал заглушок: пластик
Вага нетто: 480 г
Габаритні розміри:

Процес накручування гайки на гвинт КГП
Всі наші гайки поставляються із вставленою в центрі втулкою, яка утримує кульки від розсипання. В свою чергу, стяжка блокує рух втулки.
ВАЖЛИВО! В жодному разі не допускайте вильоту втулки до установки, це спричинить висип всіх кульок з гайки.
Для правильної накрутки гайки достатньо лише утримувати кульки в постійному контакті або з втулкою, або з біговими доріжками гвинта. Для цього необхідно:
1. Розрізати стяжку
2. Надягти втулку на оброблену частину гвинта, утримуючи гайку від зісковзування, впритул притиснувши втулку до бігових доріжок.
3. Зсунути гайку до гвинта (щільно притискайте втулку пальцями)
4. Обертати її в напрямку різьби кулько-гвинтової пари
При підклинюванні гайки в процесі накрутки необхідно повертати гайку в різні боки.
Виробник залишає за собою право вносити зміни в конструкцію виробу, які не погіршують його якість, без попереднього повідомлення покупця. Інформація на сайті є актуальною на момент її опублікування.
Зовнішній вигляд товару може відрізнятись від фотографій на сайті. Розбіжність зовнішнього вигляду та комплектності реального товару з фотографіями на сайті не є показником неналежної якості виробу.
- Гайка для КГП 2510 SFU2510
Гвинт КГП

Корпус для кріплення гайки КГП 2510

Системи змащення напрямних та передач

Дивіться всі наші оголошення
- Каталог товарів
- Верстати
- Оснащення для верстатів
- Системи охолодження та вентиляції
- Контролери
- Електродвигуни
- Драйвери крокового двигуна
- Драйвери та крокові двигуни з енкодером
- Серводвигуни із серводрайверами
- Блоки живлення
- Шпинделі
- Інвертори
- Пульти ручного керування та DSP контролери
- Датчики, кнопки, роз'єми, кабелі, мікросхеми, фільтри
- Лінійні напрямні та підшипники
- Передачі
- Системи мастила напрямних та передач
- Механіка
- Гнучкі муфти
- Гнучкий кабель канал (кабелеукладач)
- Фрези
- Алюмінієвий профіль
- Пневматика
| Основні | |
|---|---|
| Висота | 80 мм |
| Вага | 0.495 г |
| Користувальницькі характеристики | |
| Кількість рядів тіл кочення | 3 шт. |
| Внутрішній діаметр | 25 мм |
| Форма тіла кочення | Кулька |
| Типорозмір | 25-10 |
| Клас точності | C7 |
| Тип підшипника кочення | Кульковий |
| Тип корпусу | одинарний |
| Діаметр кульок | 4.763 мм |
| Матеріал корпусу | сталь |
| Матеріал кульок | підшипникова сталь |
| Фланець | DIN 69051 B |
| Матеріал виробу | Сталь |
| Діаметр відповідного ходового гвинта | 25 мм |
| Крок різьблення відповідного ходового гвинта | 10 мм |
| Кількість заходів відповідного ходового гвинта | 1 |
| Спосіб використання кульок | дефлекторний |
| Погрішність ходу на довжину 300 мм | ±0.05 мм |
| Матеріал заглушений | пластик |
- Ціна: 1 469 ₴
- Готово до відправки
- Код: 87-006
1 469 ₴
- +380 (99) 100-30-30Прийом замовлень - Vodafone
- +380 (73) 100-30-30Прийом замовлень - Lifecell
- +380 (96) 665-71-06Прийом замовлень - Київстар
- Понеділок09:0018:00
- Вівторок09:0018:00
- Середа09:0018:00
- Четвер09:0018:00
- Пʼятниця09:0018:00
- Субота10:0016:00
- НеділяВихідний



